W skrócie jest apka w Dockerze na Ubuntu (webapp, db, python pomiedzy oraz mqtt broker do zbierania&wysylania danych).
Dane z instrumentow wysylane przez brokera mqtt maja przechodzic przez openVPN, natomiast nie może to ograniczać komunikacji pomiędzy kontenerami, na czym aktualnie się zatrzymałem:
https://github.com/dperson/openvpn-client



























Cześć Wykop! Chcę podzielić się z Wami projektem, nad którym pracowałem latami. Jako inżynier i pasjonat automatyki od zawsze brakowało mi porządnego sterownika do rozdzielnicy, który nie zmuszałby do upychania modułów w każdej puszce podtynkowej. Więc... zrobiłem go sam.
💡 Tak powstał SMARTBOB – sterownik smart home do montażu w rozdzielnicy, który pozwala na pełne sterowanie min. :oświetleniem, roletami, bramami
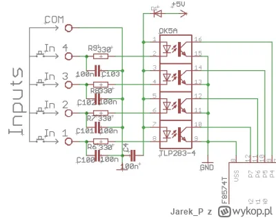
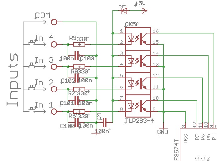
źródło: SM-LITE-1616R-4a
PobierzŻyczę powodzenia, jakbyście byli na rynku 5 lat temu to może bym skorzystał, tak to u siebie lecę na Sonoff + tasmota + wyprowadzenie przycisków z obudowy na złącza co by można później podłączyć do przycisków dzwonkowych. Daje