Aktywne Wpisy

tomosano +176
Mamy to, nocna cisza alkoholowa w Warszawie została przegłosowana. Największa represja wobec alkoholików po 89' xD
Trzeba to opić wodą z limonką ( ͡° ͜ʖ ͡°)
Módlmy się za weekendowych meneli, czekają ich ciężkie chwile xd
#alkohol #alkoholizm #warszawa #wiadomosci #niepopularnaopinia #zdrowie #neuropa
Trzeba to opić wodą z limonką ( ͡° ͜ʖ ͡°)
Módlmy się za weekendowych meneli, czekają ich ciężkie chwile xd
#alkohol #alkoholizm #warszawa #wiadomosci #niepopularnaopinia #zdrowie #neuropa
źródło: temp_file6033041842868979506
PobierzCzy nocna cisza alkoholowa to dobry pomysł?
- Tak 46.2% (1489)
- jeszcze jak 14.4% (464)
- Nie 29.5% (949)
- alkohol to moje paliwo 9.9% (319)

Anonek463 +830
Człowiek od razu bezpieczniej się czuje ( ͡° ͜ʖ ͡°) #heheszki #policja #marihuana #narkotykizawszespoko #narkotyki
źródło: Zdjęcie z biblioteki
Pobierz




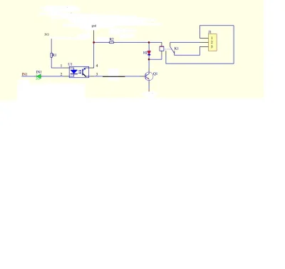
http://img33.imageshack.us/img33/1010/uk1a.jpg
chcę zrobić taki układ, z przekaźnikiem, lub innym odbiornikiem 24VDC, transoptor mam ten: http://botland.com.pl/optoizloacja/390-transoptor-wielokrotny-ltv847-dip.html
potrzebuję tranzystora takiego do 200mA, ale wolałbym sterować biegunem dodatnim,
pomoże ktoś dobrać tranzystor?
źródło: comment_dmBbqhIrKiyjYFQQNOAXS0eGgZJPCdeI.jpg
PobierzMusisz dobrać rezystor na bazie, a najlepiej przy okazji dorzucić rezystor między bazę a emiter.
A najlepiej przeskoczyć z bipolara na mosfeta, w tym przypadku pkanał
@zuberek1990: R2 daj tam gdzie był to zabangla
24V chcesz, nie nada się
@zuberek1990: współczynnik wzmocnienia prądowego tranzystora.
transoptor wytrzyma i 50mA więc można dac więcej (ale uwaga, producent gwarantuje tylko 50% prądu płynącego przez diodę, chociaż typowo może być i kilka razy więcej